Replacement Manuals section |
|
Last Updated: 22.08.25
A selection of replacement manuals for various QL hardware. All manuals are placed here with the permission of the various product owners, please respect their copyright as applicable in each case and the permission to download and use these extend only to their use as replacement manuals for these products (e.g. for someone who has lost their manual or purchased a second hand device without a manual). In particular, please note that rights to the QL Manual itself and QL ROMs are held by Frank Davies and Paul Holmgren in North America and you need permission from them to download and use the QL Manual in North America.
ABC Keyboard | CST QPlus 4 | CST RAMPlus | Dattel | Digitisers |DiRen | Disk Interfaces | HxC Disk Emulator | ICE | JFC Keyboard 90 | Level 2 ROM | MCS | Mersey Mouse | Micro Peripherals | Miracle Systems | Monitors | Q40/Q60 | Q-488-ieee | QIMI | QL Manual | QL Printer | Qubbesoft | Quest | Schön Keyboard | Ser8056 Printer | Sernet | Tandata | Technical Guides | Tetroid | TF Services | Toolkit 2 | U+5

This is a
replacement 8 page manual for the ABC Electronic QL
Keyboard Adaptor which plugged into the QL's ROM port. Available as a
PDF file only.
ql_abc_keyboard_interface.pdf
(1.5MB)

CST RAM-Plus manualA replacement
manual for the CST RAM-Plus device, a memory
expansion card with 512K RAM, through port, and up to 4 EPROM sockets.
Available as a PDF file only.
cstramplus.pdf (158K)

LANG DIGITISER
A Quill DOC file
replacement manual for the Lang QL video digitiser from CL Systems.
cl.zip (7K)
SPEM DIGITISER
A Qull DOC file replacement manual for the SPEM QL video digitiser.
spemdigi_doc.zip (7K) - zipped Quill DOC file version.
spemdigi.pdf (147K) - PDF version.
The software for the SPEM digitiser is available here.
DI-REN KEYBOARD INTERFACE
Replacement
manual
for the Di-Ren keyboard interface. Consists of a plain text file and
the 5 diagrams as 512x256 mode 4 screens. Also available for download
is v1.02 of Diren's Keyboard Translate Utility for remapping keys on
the keyboard.
Diren Keyboard Interface manual
(11K)
Download Keyboard Translate Utility
(6K)
MICRO PROCESS CONTROLLER
The Micro Process
Controller is a 6 relay switchbox which
works from any parallel interface (or via a serial to parallel
converter) and programmed simply by sending byte values to it. The MPC
has a through port to connect a parallel printer or a second MPC unit.
The zip file contains a Word DOC file version and a PDF file version of
the manual.
mpc.zip (76K)
Micro Process Control Utility
- software for the Micro Process Controller (19K)
NETWORK PROVER
A small box with an LED which shows the status of the QL
network. So simple to use, it doesn't really need a manual, but here is
a copy in case.
netprovr.zip (14K)
Replacement manuals for older QL disk interfaces. Additional manuals can be found under Miracle Systems Manuals above.
CST Qdisc -
replacement
manuals for three versions of CST's QDisc interface, one of the best
known of the early QL disk interfaces. This interface has no on-board
RAM. If you are uncertain which version of the interface you have (I
have no information to assist with identifying them), I suggest you
download version 3. The diffference between the manuals is just
documentation of the extra commands contained in the ROM on each
version of the interface - the later interfaces had a greater subset of
the Toolkit 2 commands. CST did release 4 versions of the QDisc
interface, but I only have manuals for the first three.
CST QDisc version 1 Zipped Quill doc (12K). PDF version (95K)
CST QDisc version 2 Zipped Quill doc (13K). PDF version (100K)
CST QDisc version 3 Zipped Quill doc (23K). PDF version (136K)
Qdisc3_utilities.zip - a copy of the utilities disc v3.0 supplied with the CST Qdisc interfaces (11K)
Cumana QL disk interface. Replacement
manual as a Word DOC file (diagrams included)
Cumana disk system manual as Word
DOC file (73K)
Falkenberg Hard Disk Interface.
A replacement manual for Jürgen Falkenberg's QL interface for MFM/RLL
type hard disk systems.
Hard disk interface manual as Word
DOC file (58K)
PCML Q+ Disk Interface
A replacement manual for the PCML Q+ disk interface for the QL,
including documentation for its PCML toolkit v1.14/v1.16.
PCML Q+ manual as a PDF file
- This is the original manual as supplied with the interface. (954K)
Lee Privett has kindly produced an improved version, with a few
corrections:
pcml
q+ floppy disk interface.pdf - PDF version (561K)
pcml
q+ floppy disk interface.doc - Word .doc version (1.8MB)
Sandy disk interfaces.
A general manual for several of the interfaces released by Sandy UK
PCP, includes the SuperQBoard interface. Quill DOC file.
Sandy disk interfaces manual
(26K)
Sandy disk interfaces manual - PDF (27K)
SuperQBoard_User_Manual_OCR.pdf (2.1MB) - thanks to Tobias Fröschle for OCRing the SuperQBoard manual, to make it a searchable PDF. I'll leave the original manual above, as there are a few cases where the OCR isn't 100% perfect.
SuperQBoard_Manual_comp.pdf (5.8MB)
- another version of the SuperQBoard manual, scanned by Jean-Yves
Rouffiac. Contains the "Interface Description" introduction section,
which describes the various configurations of the Sandy interfaces.
Technology
Research Ltd Delta 128
disk interface with 128K RAM. Quill DOC file, with 3 QL PIC
file diagrams.
TRL Delta 128 interface manual (42K)
Generic disk interface manual.
A general purpose manual suitable for most older disk interfaces which
conform to the QJump FLP type of interface. If you need a manual for
one of the interfaces listed here, download the specific one for that
interface, it is best to use the correct manual after all! If all else
fails, download the Generic one which should be enough to get you going!
Generic disk system manual as Word
DOC file (73K)
HxC Floppy Disk
Emulator
ICE
Manual
JFC
QL Keyboard-90 keyboard interface
JFC QL-ScannerThis is a
replacement manual in plain text format for the Level 2 Upgrade ROM for
Trump Card and SuperQBoard. The level 2 ROM itself is not included, it
is copyright Jochen Hassler. This provides level 2 filing system (hard
directories etc) and the ATR device for reading Atari and DOS format
disks. Note that this download does NOT include the ROM image, and that
the level 2 Trump Card versions supplied by Qubbesoft P/D do not
include the ATR device driver.
lev2man.zip (8K) Plain
text.
flp_level_2.pdf
(3.3MB) PDF file.
MCS Multi-ROM ManualThe MCS (Micro Control Systems) Multi-ROM
was a small device which plugged into the QL EPROM slot. It
contained 16K of RAM and came with some controlling software. It could
be used to simulate ROM cartridges by putting an image of a ROM into
the 16K RAM, allowing plug-in ROMs to be interchanged and was
especially ideal for developing ROM based software as code could be
quickly downloaded to it without having to blow EPROMs. This is a PDF
of the original manual for this rare little device.
MultiROM_Manual.pdf
(961K)
16K plug-in ROM image of tools and utilities for the MCS Memodisk disc interface system, and manual as a PDF file.
mcs_tools_rom (16K) [17/08/20]
MCS Memodisk Utilities.pdf (1.3MB) - manual for the utilities ROM as a PDF, or as a much larger Word DOC file (4.4MB) [17/08/20]
Replacement
manual for the Sinclair/MicroPeripherals disk interface system. This QL
floppy disk interface isn't quite the same as most of the other "FLP"
systems, so a replacement manual is a must (e.g. to know how to set the
DIP switches on the interface!). I am grateful to Rich Mellor for
sending me this scanned manual. Available as a PDF file only. microP-diskInterface.pdf
(1.2 MB)
Some versions of this interface have jumper links instead of DIP
switches on the board. This little PDF file shows the difference and
documents what each jumper link does. Micro Peripherals QL Disk Interface DIP Switches.pdf (526K)
sincmputils.zip (59K) Utilities disk for use with the Sinclair/Micro-Peripherals disk interface. The instructions for these utilities are in the manual for the interface itself above, although Brian Kemmett has kindly prepared a scan of just the utilities pages if you'd just like to explore the content of the floppy disk by itself, without downloading the full manual. microp-diskutils.pdf (543KB)
MicroPpsu.pdf (1.2MB) Document with pictures of the Micro Peripherals/Sinclair disk system, shows power supply pinout and connections at the rear of the drive for second drive. Also available as a Word document, but note file size (8.7MB)
An Italian replacement ROM v5.3 for this interface: microP_floppy_interface_rom_5.3_italian.zip (6K)
Replacement manuals for Miracle Systems products. Over the years, Miracle Systems produced many of the best known QL add-ons such as memory expansions, disk interfaces, printer interfaces and so on.
TRUMP CARD MANUAL
Miracle Systems Ltd manual for the Trump Card as a plain text
file - useful if you have bought a second hand Trump Card which came
without a manual, since the manuals are now out of print. You will also
need the Toolkit 2 manual above. Thanks again to John Hitchcock for
this file.
Trumpcard manual (12K)
Lee Privett has kindly prepared the Trump Card manual as a
Word .doc and .pdf file.
Download
Miracle Systems Trump Card manual as a Word .doc (678K)
Download
Miracle Systems Trump Card manual as a .PDF file (407K)
ACE CARD AND TRUMP CARD MANUAL UPDATES
Thanks
to Derek Stewart, here is the manual for these rare Miracle Systems
variants of the Trump Card. The Ace Card was a 256K version of the
Trump Card while the Trey Card allowed a Miracle 512K Expandaram to be
added to the onboard 256K RAM. Note that this is scanned as an A4 sized
manual instead of the original folded A3.
TRUMP_ACE_TREY_CARD-USER_MANUAL_UPDATE.pdf
(144K)
GOLD CARD MANUAL
Miracle Systems Ltd Gold Card manual as a plain text file,
scanned by Dave Westbury.
Gold Card manual (8K)
SUPER GOLD CARD MANUAL
Miracle Systems Ltd Super Gold Card manual supplement, scanned
by Dave Westbury.
Super Gold Card manual (7K)
QXL
MANUAL
Miracle Systems Ltd QXL manual supplement, scanned by Dave
Westbury.
QXL manual (24K)
QXL SMSQ software v2.76
(153K) - the most recent version of the original SMSQ system software
for the QXL. Note: if you want to use the latest SMSQ/E, visit the SMSQ/E
Registrar's website where you can download the SMSQ/E
binaries.
MIRACLE HARD DISK MANUAL
A replacement manual for the Miracle Hard Disk system.
Miracle Hard Disk manual
(10K)
win.rext
(4K) - the driver extensions for the Miracle Hard Disk. Useful if you
have acquired a second-hand unit without software, for example.
CENTRONICS PRINTER INTERFACE
One of the most popular QL add-ons of all time. These were
serial to parallel centronics printer adaptor cables, allowing parallel
printers to be plugged into the QL serial ports.
Printer Interface manual
(1K)
Or, here is a PDF of an original Miracle Systems QL Centronics
Printer Interface manual:
QL_CentronicsPrinterInterface_UserManual.pdf
(78K)
DISK ADAPTOR
A small disk adaptor card was produced allowing 4 disk drives to be plugged into interfaces such as Gold Card and Super Gold Card which normally only allowed 2 drives to be used.
Disk Adaptor manual (2K)
ED
DISK DRIVES MANUAL
The manual for the black Miracle Extra High Density (ED) disk
drives supplied for the QL. These disk drives allowed ED disks to be
formatted to a capacity of 3.2MB on QL systems, and were also capable
of reading DD and HD disks.
ED Disk Drives manual (2K)
SUPER GOLD CARD PRINTER CABLE ADAPTOR
A short article showing how to construct an adaptor lead from
the printer connector on a Super Gold Card to a standard
Centronics-style connector.
Printer Cable Adaptor article
(1K)
SINCLAIR VISION-QL MONITOR MANUAL
scanned
replacement manual for the original black Sinclair Vision-QL RGB
monitor. Includes a scanned circuit diagram. Originally an A3 sized
sheet, I have scanned it in 2 halves, as 2 A4 sized sheets (left and
right halves).
visionql.pdf (57K) -
Adobe Acrobat PDF format
circuit1.gif (417K) -
Left half of circuit diagram
circuit2.gif (249K) -
Right half of circuit diagram
visionQL_circuitdiagram_a3.jpg (2.2MB) - the circuit diagram, scanned as 300dpi A3 format.
MICROVITEC CUB QL MONITOR
A scanned replacement manual for the original black Microvitec
Cub QL RGB monitor.
mvcub.pdf (54K) - Adobe
Acrobat PDF format
Microvitec Service Manual For Series-3 Colour Monitors, PDF file.
Microvitec
Service Manual (779K)
SCART CONNECTION
scart.zip (29K) - Article from QL Today about hooking up a QL to a SCART video connection (use a TV as a monitor).
The Q40/Q60 mainboard
user manual, Q40/Q60 hardware documentation and the Q40/Q60 SBASIC part
of the SMSQ/E manual. This is only the Q40/Q60 specific part of the
SMSQ/E manual, you'll need a legitimate general SMSQ/E manual to
complement this.
qx0.zip (183K)
A replacement manual for the Q-488 IEEE interface from CST.
Further details of this interface on QL Wiki.
Q488%20IEEE%20INTERFACE_OCR.pdf (2.06MB)
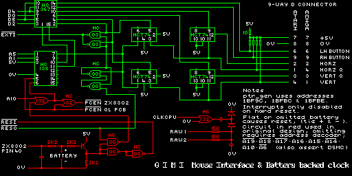
David Westbury
has kindly
supplied a circuit diagram of the QIMI mouse interface and some
programming information about the registers used, etc.
Click here to download a
512x256 QL _PIC file circuit diagram (6K), or click
here for a .PNG file version. (10KB)
Click here for the register
programming information. (2KB)
QIMI
Manual: This is a replacement manual for the original QIMI mouse
interface, as supplied by QJump. May prove useful for those buying a
second hand interface without a manual.
QIMI
manual as a Word DOC file (68K)
QIMI manual as
a PDF file (99K)
QIMI Manual. This is a replacement manual for the version of
QIMI supplied by Quanta some years ago
Quanta
QIMI manual as a Word DOC file (76K)
Quanta
QIMI manual as a PDF file(195K)
Introduction
to
the user guide, SuperBASIC Programming section, Keyword and Concepts
guides from the QL manual are available for download here. Useful if
you bought a second hand QL or have lost your copy of the manual. See
also under 'Articles' below for introductions to the Pointer
Environment. Click on the links to download the files.
North American readers: Please note that you will
need permission from the joint rights holders Frank Davis and Paul
Holmgren to download and use these files! Click
here to send an email to Frank.
Introduction to the QL manual
(30K) (Plain text)
SuperBASIC programming section
(114K) (Plain text)
Keywords section (25K)
(Plain text)
Concepts section (35K)
(Plain text)
QL Manual as a zipped PDF file
(2.4MB) N.B. Note size of file prior to downloading!
QPC Keywords Guide
(846K) Martin Head's QL-manual style enhanced Keywords guide, version 1.05 (ODT, PDF and RTF files) [31/03/23]
QPC Concepts Guide
(676K) Martin Head's QL-manual style enhanced Concepts guide, version 1.03 (ODT, PDF and RTF files) [31/03/23]
Alternatively, an online QL user guide is also
available on this site - click here to go
to that page.
And an eBook of the QL manual, OCRed and in PDF and other eBook formats, is available on my eBooks page here.
User "greenscreen" on QL Forum has made a high quality scan of the
QL manual without OCR (to keep the quality as high and faithful to the
original as possible). You can download the original here https://archive.org/details/sinclair-ql-user-guide
or in case of difficulty, download a copy from this page. Be aware that
it's a massive 133MB in size, so download may take some time.
Sinclair QL User Guide.pdf (133MB)
Qontrol-IIA rare hardware interface board for control applications.
Designed by Colin Opie as part of the Qonnexions
series in QL World in 1987, and marketed by Care Electronics. This
manual documents the hardware as well as the BASIC extensions and
assembler routines in the on-board EPROM.
Qontrol-II manual as Word DOCX
file (442K)
Qontrol-II manual as PDF file
(460K)
A replacement manual for the QSound-QPrint sound card and
parallel printer port from ABC Electronik.
QSOUND-QPRINT.pdf
(356K) - PDF file.
QSOUND-QPRINT.docx (130K) - Word DOCX file.
AURORA
MANUAL
A replacement
manual for the Aurora QL compatible motherboard. Useful if you have
lost your manual or bought a second user Aurora without getting a
manual with it!
As a Quill DOC file (37KB)
As a PDF file
(513KB)
AURORA TECHNICAL GUIDE
The Aurora technical details (registers, screens, detecting
Aurora, extended ROM details etc) from Aurora designer Zeljko Nastasic
Aurora Technical Guide
text file (6K)
Aurora Technical Guide PDF file(130KB)
QPLANE
MANUAL
This is a Quill DOC file manual and a PIC file diagram of the
QPlane backplane from Qubbesoft P/D.
qplane.zip (6K)
QUBIDE MANUALS
Replacement
manual for the QUBIDE QL IDE interface from
Qubbesoft P/D, along with various ROM version images and a few
technical information files. Includes copies of manuals for version 1
and 2 QUBIDEs in Quill DOC and plain text file formats. Includes a file
called CHANGES.TXT which lists differences between the various ROM
versions up to 2.02. Also includes a few basic utility programs.
qubide.zip (155K)
With thanks to Roy Wood, here is a version of the Qubide
manual and version 2 upgrade sheet as a M$ Word file. This has been
slightly updated since the above version.
qubide_qbranch.zip
(78K)
Qubide ROM images and links to José Leandro's Qubide clone page in Spanish and English plus Habi's Qubide Image Editor software for Windows may be found on my QL ROMs page.
QEPIII
MANUAL
A replacement manual for the QEP III Eprom Programmer for the
QL, formerly sold by Care Electronics and latterly by QUBBESoft P/D.
qep3qdoc.zip Quill DOC
file (9K)
qepiii.pdf PDF file (98K)
The Ser8056 was a
very popular low cost thermal paper printer in the early days of the
QL, and is still to be found second hand. This version of the manual
has added information about graphics modes. Quill DOC, plain text and
RTF file versions, with PIC file diagrams.
ser8056.zip(123K)
A manual (all 3 pages
of it) for the Sernet serial link network. Includes a couple of other
helpful articles from QL Today magazine on the subject.
sernet.zip (24K)
The
offical Sinclair QL printer was a badged Seikosha SP1000A printer, with
a special ROM for the QL character set. I am grateful to Lee Privett
and Urs König for assistance with preparing this replacement manual.
Available as a Word .doc file, or a .pdf file. Note the file size
before downloading!
Sinclair QL printer manual
Word .doc file (5.01 MB) N.B. note file size!
Sinclair QL printer manual
PDF file (1.4 MB)
A ROM image from this printer may be found on the QL ROMs page.
A set of technical manuals for the QL.
QL TECHNICAL GUIDE
The original Sinclair QL Technical Guide from Sinclair, in
searchable formats.
QL Technical Guide (850K) as
a PDF file.
QL Technical Guide (1.4MB) as
a Word DOC file.
SMSQL REFERENCE MANUAL
SMSQL_Guide_4.9.zip (1.8MB)- the guide to programming for SMSQ. Zipped PDF file.
SMSQE and GD2 - Further programming information available on the SMSQE and GD2 documents page.
QPTR MANUAL
The original programming guide for the QPTR system (5th
Edition)
QPTR manual (601K)
PDF file.
QPTR Update Pages
(39K) A set of update pages for the QPTR guide.
QPTR MANUAL - 6TH EDITION
Wolfgang
Lenerz has updated the QPTR manual and released it as this 6th edition
(for posterity, the 5th edition above will remain available). Available
as a LibreOffice ODT file or as a PDF file.
QPTR605.odt (1.175MB) -
v6.05 LibreOffice .odt file
QPTR605.pdf (881KB) -
v6.05 PDF file
CONFIG INFORMATION
The 6th edition of the QPTR manual removed the information on Config
Blocks, so here is a separate document about both Level 1 and Level 2
Config.
Config.pdf (443K) - as a PDF document. (04/03/24)
Config.odt (62K) - as a Word document. (04/03/24)
configmacros.zip (5K) - the level 1 and 2 macro files referred to in the Config document.
SOCKET API
The original guide to TCP/IP stuff in the uQLx emulator, from
Richard Zidlicky. The QPC2 implementation is mostly compatible, so this
provides useful information. Click on the link to bring up a table of
contents, then click on the link to the section required.
QL Socket API table of contents
Additional information available at this page.
QL SERVICE MANUAL
The original QL Service manual is available in several searchable formats from the eBooks page.
A scan of the original paper Service Manual (not searchable, but should be no OCR errors) is available here as a PDF file (54MB) (Klaus Frank)
Alternatively, an online HTML version may be found on sinclairql.net here.
ONLINE SUPERBASIC REFERENCE MANUAL
RWAP Software's excellent SuperBASIC Reference Manual is available to read online nowadays. Have a look at it here - http://superbasic-manual.readthedocs.io/en/latest/ or via the foreword page here - http://www.rwapsoftware.co.uk/SBASIC_reference_manual_online/Foreword.html
SBASIC MANUAL
The SBASIC manual is available to read on my eBooks page.
Q-CONNECT user manual.pdf - thanks to a member of QL Forum for scanning the manual for the Tandata Q-Connect modem systems for QL as a PDF file. (5MB)
Tetroid
is a Russian producer of hardware add-ons for the Sinclair QL. Based in
Novosibirsk in the Russian Federation, Tetorid has released disk
interfaces with and without Compact Flash card interfaces based on
Trump Card and QUBIDE systems, along with a Gold Card clone, ROM
switcher, Gold Card/Super Gold Card battery replacement, backplane and
a power module (7805 replacement).Replacement manuals for some off the hardware add-ons from TF Services.
SUPERHERMES LITE MANUAL
A replacement manual for the superHermes LITE
from TF
Services. superHermes LITE provides a replacement QL second processor
(improved Hermes) and an IBM AT keyboard interface for the QL. Useful
if you have lost your manual or bought a second user board without
getting a manual with it (although you will still need the
Supplementary Filesdisk from TF Services)! The manual is available in
plain text or Quill DOC file formats:
As a Quill DOC file (9KB)
Also available, courtesy of Phoebus Dokos, is the US
keyboard driver (38KB) for superHermes LITE
SUPERHERMES MANUAL
The
SuperHermes manual in Adobe Acrobat PDF file format, in
fact comes in two formats, one a printable PDF file. Supplied by Tony
Firshman of TF Services.
SuperHermes PDF manuals
(614KB)
SuperHermes extensions and keyboard layout files:
Current keyboard doc file
(4K)
Current updates doc file
(5K)
Driver module for SMSQ/E from David
Gilham (3K)
Phil Borman's utility to add Qubide
hard disk parameters to SuperHermess eEPROM (2K)
Danish (21K)
French (40K)
German (38K)
Italian (26K)
Norwegian (26K)
Swedish (25K)
UK (25K)
USA (38K)
MINERVA MANUAL
The Minerva manual in Adobe PDF file format.
minerva_manual_11.pdf
(455K)
Ancillary Minerva files to download:
config.zip Minerva
configuration program, in BASIC (3K)
i2c_io.zip (1K)
Minerva 1.98 utilities disk
(301K)
Current updates doc (13K)
Versions.zip List of
version numbers (6K)
Setdate.zip for Super Gold
Card users to read Minerva Mkii date and set clock. Basic and compiled
Basic (12K)
Extensions to revert to British
keyboard (4K)
Phil Borman's utility to set Qubide
hard disk parameters in MKII I2C RAM (2K)
I2C MANUAL
Documentation
for the add-on devices available from TF
Services for the Minerva Mkii's I2C (Inter-IC Communication) interface,
supplied in Adobe Acrobat PDF file format.
I2C products manual (308KB)
Ancillary I2C files available to download:
Simple 4 channel digital scope
(7K)
Simon Goodwin's sound routines for
analogue interface (164K)
Phil Borman's patched I2C
io_rext for SMSQ (1K)
ROMDISQ MANUAL
Replacement
manual for the RomDisq flash memory device for the
QL from TF Services, supplied in Adobe Acrobat PDF file format.
Romdisq PDF manual (22KB)
Ancillary files for RomDisq:
V2.14 RomDisq driver
- mandatory bug fix for drivers v2.10 and earlier. EXEC the driver to
write the new driver to RomDisq. This replaces v2.13L - essentially the
same as 2.13L but the EXE file is half the size (14K)
Current manual in text
format for v2.14 driver (9K)
List of updates to RomDisq
(2K)
MPLANE MANUAL
Replacement
manual in PDF file format for the MPlane low
profile backplane for QL and Aurora from Tony Firshman of TF Services.
MPlane PDF manual (8KB)
HERMES MANUAL
Replacement
manual for the Hermes IPC replacement chip from TF
Services. DOC, TXT and RTF files.
Hermes manual(21K)
Some ancillary files available to download:
Current updates text (1K)
Current extensions v2.20
(1K)
Program to toggle keyclick function
(1K)
Hermes Utilities 2.20 - the utilities disk (17K)
Tony
Tebby has
authorised the distribution of the user guide for Toolkit 2, a suite of
QL extensions now built into many hardware expansions and some QL
emulators. This is a plain text file version of the Toolkit 2 manual, which
may come in useful if you have lost your manual, or bought second user
hardware with Toolkit 2 on board, which came without a manual. Thanks
to John Hitchcock for sending me the manual on disk originally.
Toolkit 2 manual (40K)
Reconfigurable Toolkit 2
(2K)
Toolkit 2 Tutorial (15K) - A
tutorial originally published in QReview magazine
U+5
QL-BusA
manual for the U+5 DMA Bus-system for the QL from Ulrich Rosowski, also
sold by ABC Electronic. This very rare expansion system provided 5
buffered expansion slots for the QL.
U+5 manual, Word DOCX file
(2.3M)
U+5 manual, PDF file (316K)
Ralf Reköndt has re-created as a PDF file the original QJump
Level 1 Config
information in as close a format (typeface etc) as possible to the
original. The documents were printed with QPLQ, an inhouse
typesetting program, written in SuperBASIC from QJump
Config_level_1.pdf
(39K)
Return to Documents Index | Return to the home page. | Go to Downloads Index